logo
  • 首页
  • 供需资源
  • 人才培训
  • 洁净智库
  • 资讯中心
  • 了解国净
  • 数字化服务
登录|注册

普通用户

-

  • 0

    我的收藏

  • 0

    我的关注

  • 个人中心
  • 消息中心
  • 重置密码
  • 退出登录
当前位置:
首页>洁净智库>文章详情>

细胞培养洁净室设计技术规范

  • 分类:国家标准
  • 发布时间:2025-06-25
  • 作者:国净供应链
  • 收藏
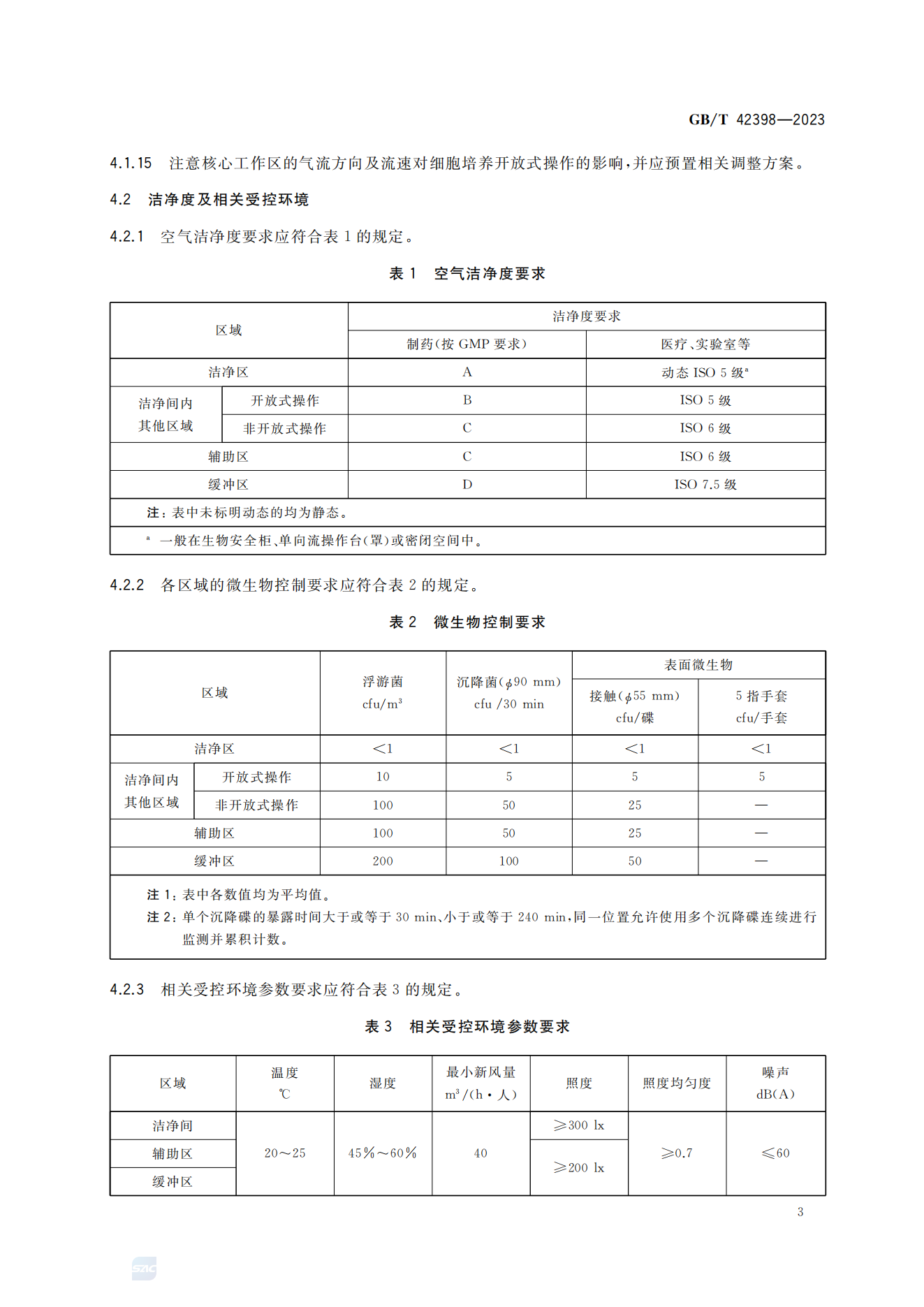
本文件内容以细胞培养洁净室设计为主,需要注意的是洁净室的设计、建造、检测与应用是系统性的,每个环节都很重要。另外,洁净室内空气化学污染对细胞培养的影响尚无定论。



本文来源网络,侵删

上一篇:测下一篇:洁净室用灯具技术要求

推荐阅读

  • 1 洁净室工程企业如何跨越数字化转型门槛?一问一答,讲清重点
  • 2 从建设要点切入数字化与复合手术室的再融合——数字化复合手术室建设
  • 3 医院净化工程后期运行管理方法
  • 4 医院洁净室及相关受控环境应用规范
  • 5 洁净室及相关受控环境检测技术要求与应用
  • 6 怎么让洁净行业的 “难事儿”,都变 “顺事儿”?
  • 7 蓄电池工作场所工程设计实践
  • 8 干货收藏!48种国际常见认证标志
  • 9 电子电气产品进入欧洲市场的强制性认证 CE-EMC(电磁兼容性)认证详解
  • 联系客服

  • 留言反馈

  • 回顶部